產品概述:常州力群干燥是單錐真空干燥機生產廠家,該機是一種立式干燥機,主要部件為錐螺,集干燥,粉碎,攪拌粉為一體的高效多功能全封閉立式真空干燥設備。干燥效率高于相同規格的“雙錐旋轉真空干燥器”。 主要用于制藥,化工,農藥,食品等行業的粉末干燥,對于用戶來講是一種…





常州力群干燥是單錐真空干燥機生產廠家,該機也稱螺旋真空干燥機,是一種立式干燥機,占地面積小,干燥效率高,錐螺是該機主要部件;而且是一種集干燥,粉碎,攪拌粉為一體的高效多功能全封閉立式真空干燥設備。干燥效率高于相同規格的"雙錐旋轉真空干燥器"。 主要用于制藥,化工,農藥,食品等行業的粉末干燥,對于用戶來講是一種性價比非常高,且很實用的多功能設備。
單錐真空干燥機裝車發貨
單錐真空干燥機的螺帶部件
粉末的干燥和混合是API生產的重要部分。 因此,所選擇的干燥和混合設備是成品質量的保證,也是確定生產和運營成本的關鍵。 我公司開發的"DZLG系列單錐螺旋真空干燥機"具有特殊的結構和優點。
(一)干燥器的選擇必須滿足各種產品和工藝的具體要求和特點。 其內容主要有以下幾點:
1、原料生產過程中加工的大部分粗原料都是熱敏性的,因此在干燥過程中容易結塊,這就要求盡可能縮短干燥時間,提高干燥效率。
2、在原材料生產制造中,干躁全過程中應用的循環系統汽體的純凈度會給原材料的品質產生挺大的危害。該機器設備選用與眾不同的給氣技術性,使汽體對干躁全過程中的危害降低。從運行經濟性的角度來看,希望所有工藝管道都可以固定安裝,從而節省類似雙錐干燥器所需的旋轉空間。
3、為了使整個過程連續進行,同時減少物料的泄漏損失,烘干機的固體排放流量是可控的。這樣可以減少清潔區的人工裝卸工作量,防止物料沖出。
| 型號\項目 | 單位 | DZLG-500 | DZLG-750 | DZLG-1000 | DZLG-1250 | DZLG-1500 | DZLG-2000 | DZLG-3000 | DZLG-4000 |
| 有效容積 | L | 500 | 750 | 1000 | 1250 | 1500 | 2000 | 3000 | 4000 |
| 全容積 | L | 650 | 800 | 1220 | 1600 | 1900 | 2460 | 3680 | 4890 |
| 加熱面積 | ㎡ | 4.1 | 5.2 | 7.2 | 9.1 | 10.6 | 13 | 19 | 22 |
| 電機功率 | KW | 11 | 11 | 15 | 15 | 18.5 | 22 | 30 | 37 |
| 設備凈重 | KG | 1350 | 1850 | 2300 | 2600 | 2900 | 3600 | 4100 | 4450 |
| 攪拌轉速 | rpm | 50 | 45 | 40 | 38 | 36 | 36 | 34 | 32 |
| 設備總高 | m | 3565 | 3720 | 4165 | 4360 | 4590 | 4920 | 5160 | 5520 |
| 容器高度 | H3 | 1455 | 1610 | 1965 | 2160 | 2300 | 2590 | 2380 | 3160 |
| 耳座高度 | H4 | 895 | 995 | 1315 | 1480 | 1630 | 1860 | 1900 | 2240 |
| 鍋身內寬 | D2 | 1100 | 1200 | 1400 | 1500 | 1600 | 1750 | 2100 | 2100 |
| 安裝耳座寬 | D3 | 1270 | 1350 | 1560 | 1720 | 1900 | 2050 | 2400 | 2450 |
1、DZLG系列單錐真空螺帶干燥機工作過程為間歇批操作,濕物料進入料倉后,通過筒壁夾套和螺旋槳內部給熱,使給熱面積達到整個容器面積的140%,對物料進行升溫干燥。并選擇相應的錐型干燥混合器型號(工作容積)達到理想的干燥效果。采用上驅式結構的混合干燥機具有高效干燥、混合能力的同時,具有空間充裕,更便于使用者進行檢修維護的特點。
2、運行平穩,保護晶形:
DZLG系列螺旋真空干燥在干燥以及混合工藝過程中沒有使用任何輔助工具,僅僅利用圓錐型攪拌螺旋的公轉及自轉,這使得物料除了來自攪拌螺旋的提升并不斷地得到剪切和分散,保證了料倉內所有物料都能獲得充分運動,并能使物料除了來自螺旋漿的提升以外,沒有受到任何其它外力的擠壓,避免了粉體與設備以及粉體晶粒之間所產生的無效摩擦,而無效摩擦往往是導致物料晶形破壞的主要因素。這也是LZG系列螺旋真空干燥能夠在作業過程中得以保持物料晶形完整無損的根本原因。
3、頂部驅動,杜絕了軸密封給產品帶來的污染可能:
采用頂部驅動,相對底部驅動,該設備可以避免如下弊端:
攪拌槳必須使用專用的設備拆卸以進行清洗、維護
攪拌槳軸密封件很難做到真的密封環保,缺乏質量保障
4、運行能耗成本低、混合效率高:
DZLG系列單錐真空螺帶干燥采用電機驅動,設計獨特,電機運轉所帶動的螺旋用于提升物料,沒有單獨用于下料的能量消耗。尤為值得說明的是,在混合、干燥工藝過程中,傳統的混合、干燥設備所提供的是一種帶式攪拌槳。其工作原理是攪拌運動時,運動的物料如同一個整體,大量的能耗被用于整體物料進行圓周運動,因此這種攪拌所提供的干燥效率是低下的。而LZG系列螺旋真空干燥所提供的是一種圓錐型螺旋攪拌,整個攪拌槳圍繞錐形料倉軸心線進行圓周運動,保證整個容器內不同部位的物料均能得到攪拌,隨著螺旋攪拌的進行,逐漸將料倉底部的物料提升到容器的上部,再由其自然下落,如此循環。這種攪拌模式,使得容器內物料得到充分的均勻混合,杜絕了干燥過程中物料結塊的可能,大幅度地提高了物料的混合、干燥效率。而且具有處理量范圍較寬、單位質量的能耗低等優點。
5、操作簡單,維護方便:
DZLG系列單錐真空螺帶干燥機械結構簡單有效,操作人員容易理解,簡單的按鈕控制使操作過程非常簡單。一些維修保養工作甚至在沒有專業人員的情況下也可以順利快速完成,設置的人孔可以很容易地調整和維護運動螺桿,無需復雜的拆卸便可完成。該設備的易損件非常少,軸承箱等驅動單元設置在料倉的頂部,用戶在維修時很容易將整個單元拆離,而且頂部的驅動單元位置空間也比較充裕。
1.設備采用夾套和螺帶內部加熱,使設備整體加熱面積增大約40%。
2.設備所采用的單螺帶攪拌器可實現自下而上循環攪拌的效果,能得到高效的強制傳熱性能。物料裝填率在40%~100%情況下,可得到100%的加熱利用。適合細膩物料的混合、干燥。
3.全密封系統、無異物污染、潔凈度高,特別適用藥品中間體及原料藥等混合、干燥,也可適用無菌原料藥的混合和干燥。
4.單螺帶攪拌器與容器壁之間間隙小,可有效防止物料粘結在器壁表面。
5.采用小角度的錐型筒體結構,使卸料速度快、干凈、不積料。
6.配置了反沖裝置。
在物料烘干過程中因物料干燥而揚起的粉塵吸附在真空捕集器上,堵塞了真空通道,氣體通道的不暢通直接導致烘干時間的延長。物料在烘干過程中的溫度越低、烘干時間越短,物料質量受到的影響就越小。針對上述原因,我公司開發的單錐干燥機在真空捕集器上加裝了反吹裝置,能夠在物料烘干過程中保持真空通道的暢通,從而保證烘干時間和烘干質量。
7.底部放料閥為抽板閥,密封可靠,有利于真空干燥。
8.設備結構緊湊,運轉平稱,密封良好,無潤滑泄漏,操作簡便,使用壽命長。
本機在加熱漏斗上設置加熱套,熱源用熱水、導熱油、低壓蒸汽將漏斗內壁保持在一定的溫度。變頻電機通過平行螺旋齒輪減速機,使單螺旋混合器旋轉,使材料沿錐形汽缸旋轉,從下往上拉,在材料達到最高點后,以重力和慣性作用,自動流向旋渦中心回到錐型筒體底部,整個過程使物料在錐型筒體內強制加熱,相對對流、摻混,熱量在物料中相互擴散,使物料作全方位的不規則往復運動,完成物料同單螺帶和筒壁表面進行高頻率傳熱交換,在短時間內達到加熱干燥的效果。從而使物料內部水份不斷蒸發,在真空泵的作用下,水蒸汽由真空泵引出,如須回收液體可加冷凝器、回收液儲罐回收。干燥完成后,打開下部的出料閥出料。
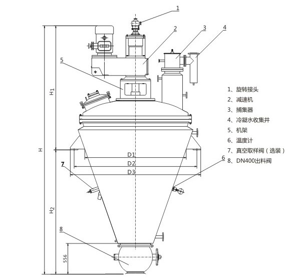
本機由電機、減速機、機架、機械密封、金屬燒結網過濾器、空心雙螺帶攪拌器、帶夾套加熱的錐型筒體和卸料閥等部件組成。
單錐真空干燥機結構圖
1、傳動和密封部分:
由電動機、減速機、機架和機械密封組成。
1.1電動機:采用變頻調速電機,運轉過程中可根據需要調整轉速。
1.2減速機:SLFA系列斜齒輪減速機,運行平穩可靠、噪音低,使用壽命長。
1.3機架:自行設計,制造精度高。內設二副滾子軸承,可調整攪拌器高度和徑向擺動。
1.4機械密封:單端面衛生型帶接料沖洗腔,密封性好。
2、攪拌器:
空心攪拌軸用支撐桿分別與空心螺帶連接,與空心螺帶連接的上下端用空心支撐桿形成可通過熱媒的回路。為了保證物料不粘結于筒壁,螺帶與筒壁的間隙很小。
3、罐體:
該部件由上頭,錐筒,真空過濾器,排出閥等組成。
3.1上頭:攜帶傳動部分和攪拌器;內表面連接端口是弧形過渡。與材料接觸的所有材料均為316L。工藝噴嘴如下:DN400衛生檢查孔,壓力表,防爆燈,鏡口,進料口,清洗口,真空口等。
3.2帶加熱套的下錐:內表面光滑,沒有死角,可使材料完全干燥。通過攪拌器在排出期間的旋轉,排出快速且清潔。
3.3過濾器:采用金屬燒結網,過濾精度高,過濾面積大。此外,在真空出口處設置排氣口,并且過濾器在排氣期間經受壓縮空氣回吹再生。 3.4排氣閥:采用抽氣閥,排料速度快,操作方便,無殘留,無死角。
| 其它設備 | 單錐真空干燥機 | |||||
| 設備名稱 | 裝料量(L) | 干燥時間(h) |
物料形態
(干燥后存在)
|
裝料量
(L)
|
干燥時間
(h)
|
物料形態 (干燥后) |
|
雙錐干燥機 |
300 |
>22 |
球狀結塊 |
600 |
7 |
完全粉狀 |
|
雙錐干燥機 |
140 |
48 |
球狀結塊 |
400 |
12 |
完全粉狀 |
|
雙錐干燥機 |
140 |
48 |
球狀結塊 |
400 |
12 |
完全粉狀 |
|
盤式烘箱 |
290 |
48 |
塊狀 |
600 |
10 |
完全粉狀 |
|
盤式烘箱 |
290 |
19 |
塊狀 |
500 |
7 |
完全粉狀 |
|
雙錐干燥機 |
300 |
12 |
球狀結塊 |
600 |
6 |
完全粉狀 |
|
雙錐干燥機 |
400 |
28 |
塊狀 |
650 |
8 |
完全粉狀 |
|
雙錐干燥機 |
400 |
22 |
塊狀 |
650 |
10 |
完全粉狀 |
|
多種設備 |
250 |
>150 |
厚板狀 |
500 |
45 |
完全粉狀 |
|
烘箱→雙錐干燥機 |
400 |
>80 |
顆粒狀 |
450 |
8 |
完全粉狀 |
|
雙錐干燥機 |
440 |
22 |
塊狀 |
500 |
8 |
完全粉狀 |
|
多種設備 |
300 |
72 |
顆粒狀 |
500 |
27 |
完全粉狀 |
沒有了
蘇公網安備32041202003774號